• Home
  • Brand
  • Products
  • Contact

Product

  • Hydraulic Disc Brakes
  • Mini caliper
  • Pneumatic Disc Brakes
  • SA Hydraulic Brake
  • SA Pneumatic brakes
  • SA Electromagnetic
  • Suntes Air boost

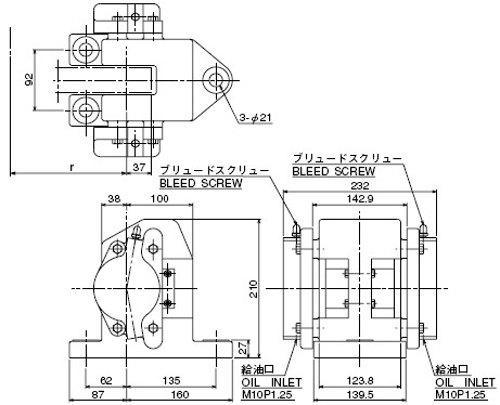
SUNTES DB-2051

Home > Manufacturer > SUNTES > Disk Brake > Hydraulic Disc Brakes >

TEL:022742010/022742011 FAX:0066(0)22742014 Email:sales@kayoshoji.com
ADD:177 Soi Ratchada Niwet 1/5 Samsen Nok Huai Khwang Bangkok Thailand