Maeda Koki MKCTV type OIL SIGNAL

Home > Manufacturer > MAEDA KOKI > Oil Signal >

MKCTV type OIL SIGNAL

 
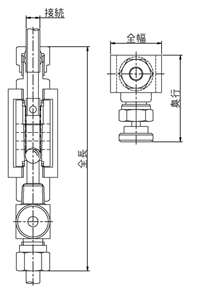
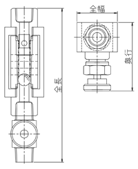
Flow rate can be seen with the naked eye because you are using a transparent tapered tube, with a display red line ball (or float)   it is possible to check the approximate flow rate by looking at the relationship between position. Flow rate with adjustable valve to adjust the miniature valve, ball (or float) to the position of the display red lines   can be set the required flow rate of by keying. With protective cover by the metal protective cover, and reduce the possibility of damage due to impact or the like from the outside. Mounting orientation does not matter attitude of when mounting because it uses a spring inside the upward and downward and  can be done sideways, etc. freely.
 


 


 

 
 

Model List 
 Model     Dimensions (mm)  The maximum flow rate 
(L / min)
        
 Connection full length  Full width  Depth 
Root 
same 
included
seen 
form
MKCTV20-1TL  Rc1 / 8 115 Thirty 51 Three
MKCTV20-2TL Rc1 / 4 115 Thirty 51 Three
MKCTV20-3TL Rc3 / 8 122 Thirty 51 Four
Copper 
tube 
for
MKCTV20-4 φ4 129 Thirty 51 1.5
MKCTV20-6 φ6 131 Thirty 51 Three
MKCTV20-8 φ8 134 Thirty 51 Three
MKCTV20-10 φ10 142 Thirty 51 Four
When ordering, quote  Please specify the inside of. 
Model 
MKCTV 
□□ □ TL
Oil of type □ 
(or the viscosity of the oil □ CSt)
 Regular flow rate 
□ L / Min
Example: MKCTV20-2TL oil types ISOVG32 regular flow 3L / Min ※ is the type of case of connection R male thread will be MKCTV20- □ TOL. Example: MKCTV20-3TOL standard specification (screw-type)



 fluid oil
 Connection (outlet side) Rc female thread  Changes to the R male thread is also available. 
Connection of the valve is the only R male thread. 
 Heatproof temperature Maximum 80 ℃
 Breakdown 1MPa -
Material Transparent tapered tube acrylic -
Fittings C3604 (brass) -
Protective cover BC (gunmetal) -
spring SUS304 -
Nylon ball Nylon 66 You may need to use a cylindrical float.
 Miniature valve BC  Production in the lock nut with a valve is also possible.
 O-ring Nitrile rubber 

Standard specification (for copper tube)
 fluid oil
 Connection See above -
 Heatproof temperature Maximum 80 ℃
 Breakdown 1MPa -
Material Transparent tapered tube acrylic -
Fittings C3604 (brass) -
Hexagon cap nut  C3604 (brass)
 Chuck sleeve Cu 
 Protective cover BC (gunmetal) -
spring SUS304 -
Nylon ball Nylon 66 You may need to use a cylindrical float.
 Miniature valve BC (gunmetal) Production in the lock nut with a valve is also possible.
O-ring Nitrile rubber -